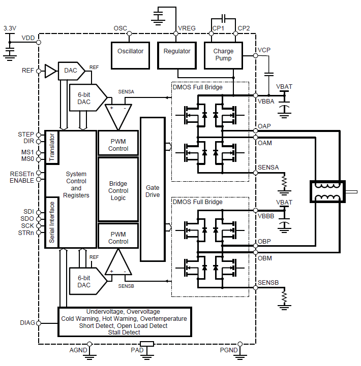
Programmable Stepper Driver with SPI Control

A4980

A4980 Package Image

The A4980 offers a flexible and programmable solution for automotive stepper motor control, featuring SPI control, programmable current regulation, and diagnostic read-back.

* Note: If you have issues logging into this feature you may need to enable 3rd party cookies in your browser settings A4980 ECAD Model Type Image

Top Features

Packaging

  • Peak motor current up to ±1.4 A, 28 V
  • Low RDS(on) outputs, 0.5 Ω source and sink, typical
  • Automatic current decay mode detection/selection
  • Mixed, Fast, and Slow current decay modes
  • Synchronous rectification for low power dissipation
  • Internal OVLO, UVLO, and Thermal Shutdown circuitry
  • Crossover-current protection
  • Short circuit, and open load diagnostics
  • Hot and cold thermal warning
  • Stall detect features
  • SPI-compatible or simple Step and Direction motion control
  • Highly configurable via SPI-compatible serial interface

The A4980 is supplied in a 28-pin TSSOP power package with an exposed thermal pad (package type LP). This package is lead (Pb) free with 100% matte-tin leadframe plating.

Part Number Specifications and Availability

Documentation and Resources

Documentation

Design Tools

Filter Document Type:
All Types
All Types Application Note
Documents Found: 32
Filter Document Type:
All Types
All Types Webpage
Documents Found: 32
Document Type Document Name
Webpage
Software Portal