Magnetic Speed Sensors

High-Accuracy Two-Wire Wheel Speed and Direction Sensor IC with PW or AK Protocol

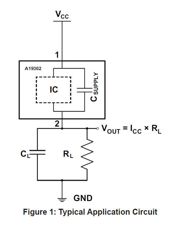
A19302

The A19302 offers flexible speed and direction sensing with selectable PW or AK protocol output. Its SolidSpeed Digital Architecture ensures accurate and stable performance in harsh automotive environments.

Product Details

Top Features

  • Hall-effect technology allows ease of use for ring magnet and ferromagnetic target sensing
  • PW or AK Protocol for speed and direction information, signal integrity, and functional status
  • Integrated capacitor in a single overmolded miniature package provides greater EMC robustness
  • SolidSpeed Digital Architecture™ supports advanced algorithms, maintaining pitch accuracy during dynamic air gap disturbances
  • ISO 26262 ASIL B(D) with integrated diagnostics and certified safety design process (pending final assessment)
Target Application

Part Number Specifications and Availability

Design Tools